首页
模板库
关于我们
🔍
筛选
综合排序
最新上架
下载最多
搜索 "
安全
" 找到
12
个相关模板
通用工资表
640
免费
银行资金日报表
744
免费
个人请假条
993
免费
自动分析身份证号码
685
免费
复工前一周工作计划表
391
免费
安全库存量预警表
943
免费
企业复工防疫安全培训记录表
921
免费
接触史人员体温登记表
127
免费
安全隐患排查登记表
253
免费
设备采购申请表
382
免费
车辆驾驶安全责任书
7
免费
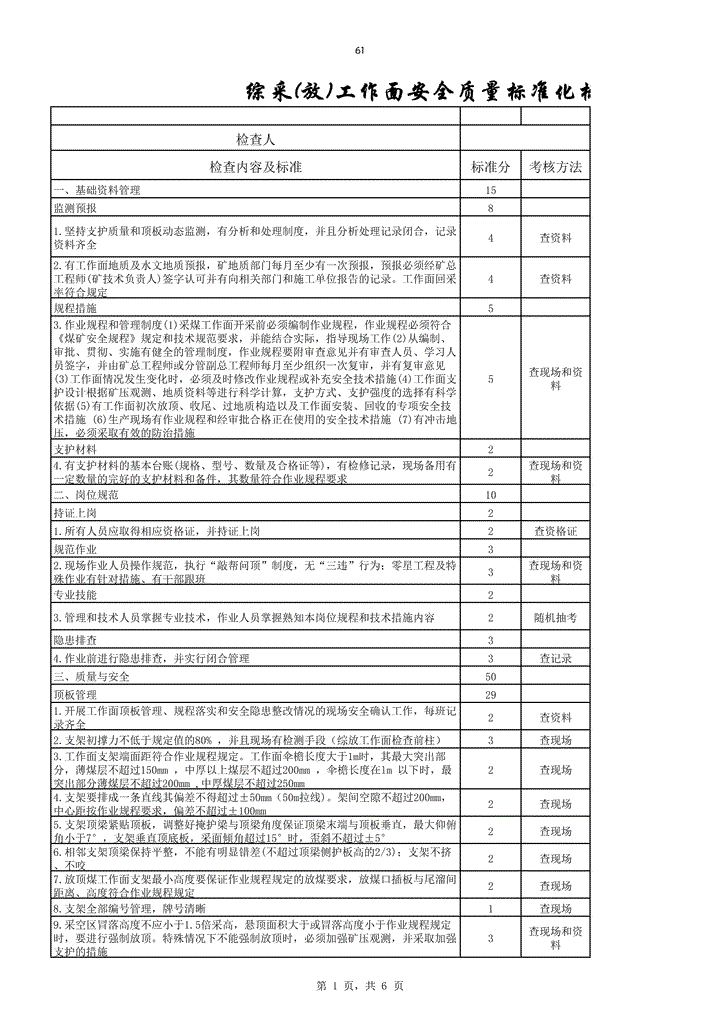
安全质量标准化标准及考核评分表
124
免费